Blinkerrelais Moped Schaltplan Schaltplan Volt Blinker 6v Wiring
S51 schaltplan simson s51b ddrmoped zundung brauche 6v angefügtes tachobeleuchtung. Elektronischer blinkgeber schaltplan. Wamo blinkgeber blinkrelais 12 v 21w – orabep
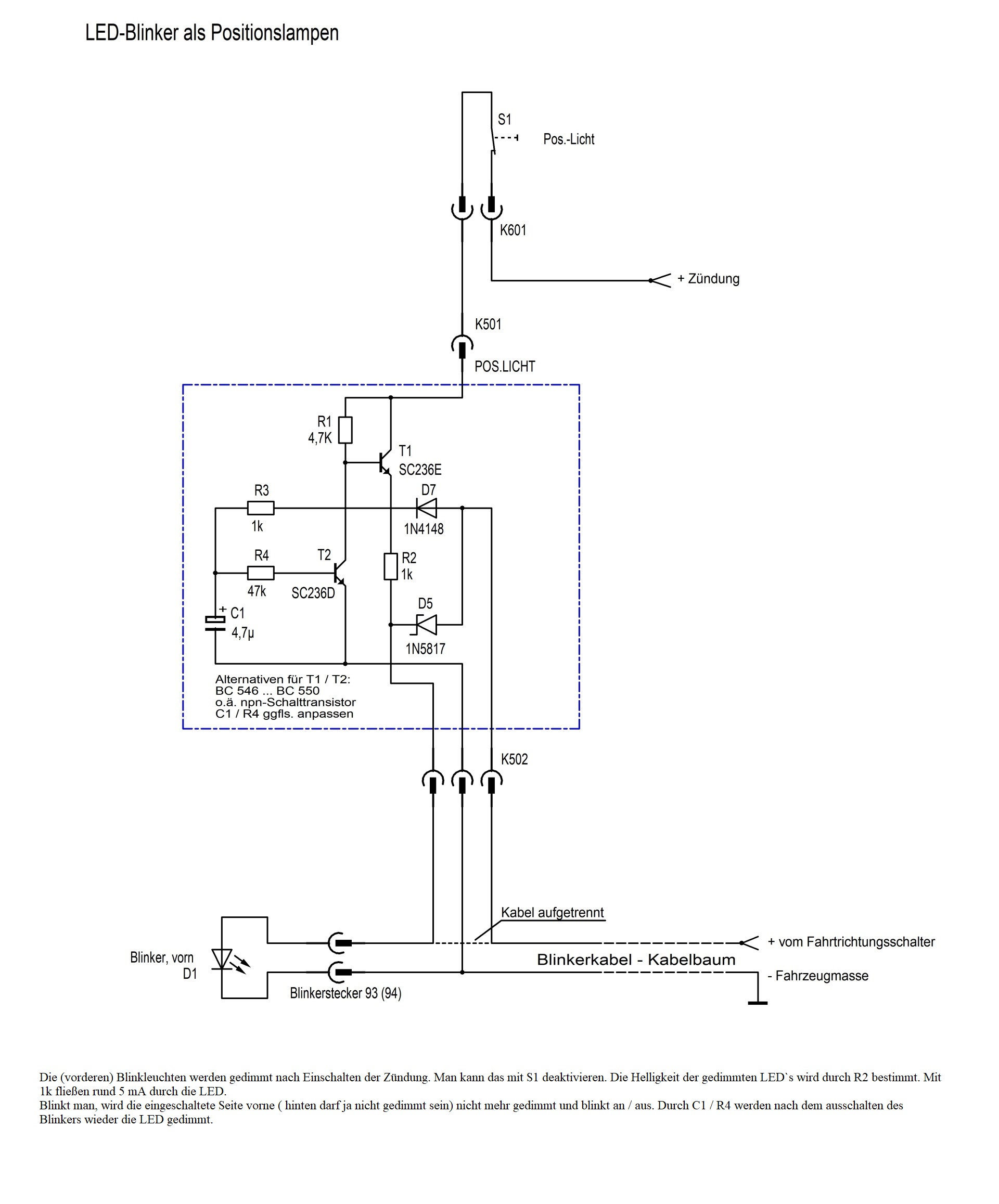
blinkerrelais moped schaltplan
Download PDF
If you are {looking for|searching about} Blinker Cruising Light der 1250 Modelljahr 2021 nachrüsten? you've {came|visit} to the right {place|web|page}. We have 7 {Pics|Pictures|Images} about Blinker Cruising Light der 1250 Modelljahr 2021 nachrüsten? like Blinkgeber - Elektrik - EN500.com, Elektronischer Blinkgeber Schaltplan and also Schaltplan S51b 12v - Wiring Diagram. {Read more|Here you go|Here it is}:
Schaltplan blinker 6 volt


Elektronischer blinkgeber schaltplan. Schaltplan volt blinker 6v wiring. Wamo blinkgeber blinkrelais 12 v 21w – orabep. Schaltplan s51b 12v
Blinker Cruising Light der 1250 Modelljahr 2021 nachrüsten?
WAMO Blinkgeber Blinkrelais 12 V 21W – OraBep
Led Blinker Motorrad Schaltplan - Wiring Diagram
Schaltplan Blinker 6 Volt - Wiring Diagram
Schaltplan S51b 12v - Wiring Diagram

Comments
Post a Comment