Isuzu 3lb1 Wiring Diagram Deutz Wiring
Deutz wiring. Deutz engine parts diagram. Isuzu n-series. manual
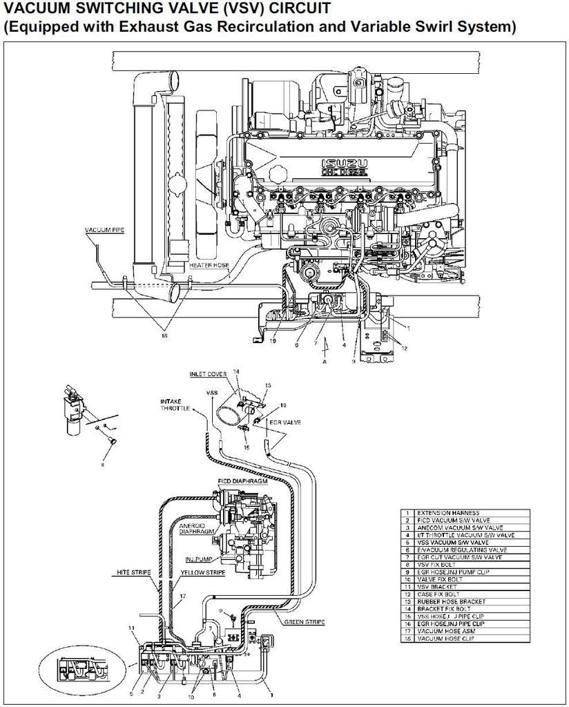
isuzu 3lb1 wiring diagram
Download PDF
Deutz engine parts diagram


Wiring isuzu diagram harness layout chevy pickup customers abs. Evinrude 40hp a1997 diagrams harness mastertech omc. Isuzu manuals nseries fault. On-line wiring diagram and wiring harness layout for '92 isuzu pickup
repair-manuals: Isuzu LUV 1981 Wiring Diagrams
Wire Schematic Isuzu Ftr - Complete Wiring Schemas
Oem 2009 Vw Jetta Satellite Receiver Wiring Diagram
Isuzu 4jb1 workshop manual
Isuzu N-Series. Manual - part 1026

Comments
Post a Comment